Cilinder voor Fichet-slot
Set van twee aanpasbare veiligheidscilinders voor Fichet-sloten, die voldoen aan de hoogste eisen op het gebied van veiligheid en duurzaamheid.
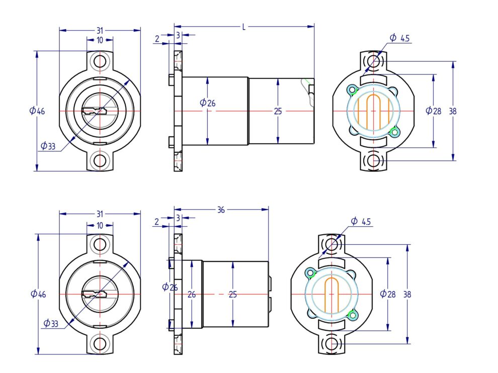
Technische specificaties
- Inbraakbeveiligingssysteem: Anti-stoten en anti-pikken, met kruisvergrendeling (gepatenteerd).
- Hoogwaardige materialen: Messing behuizing, kan worden afgewerkt in chroom.
- Sleutels en beveiliging: Geleverd met 5 omkeerbare sleutels en eigendomskaart. Sleutels kunnen alleen worden gekopieerd op vertoon van de eigendomskaart en een identiteitsbewijs.
- Compatibel met Fichet-sloten die 787- en 484-cilinders vereisen.
| Afwerking | Ref. | Ø (mm) | L (mm) | Cod. art. |
| Messing | 90C | 25 | 36/54 | CAFIC 002 |
| 1/2 chroom | 90 | 25 | 36/54 | CAFIC 003 |
| Messing | 100C | 25 | 36/64 | CAFIC 004 |
| 1/2 chroom | 100 | 25 | 36/64 | CAFIC 005 |
| Messing | 110 | 25 | 36/74 | CAFIC 006 |
| 1/2 chroom | 110c | 25 | 36/74 | CAFIC 007 |
Neem contact met ons op voor meer informatie
Wil je meer informatie over deze Fichet veiligheidscilinder? Bel ons nu of neem contact met ons op.




