De eersteklas keuze voor uw deuren
De TS98 XEA schuifdeursluiter voldoet aan de hoogste normen op het gebied van kwaliteit, comfort en design. Hij is perfect voor individuele woonruimtes en moderne werkplekken en past zich aan alle soorten deuren aan dankzij de flexibele installatie en geavanceerde functies.
Kenmerken
- Voor alle 4 montagetypes, links openend (DIN-L) / rechts openend (DIN-R)
- 3 verschillende sluitbereiken: 180°-15° / 15°-0° / 7°-0°.
- Sluitkracht instelbaar op het voorpaneel met visuele krachtindicator en alle instellingen op het voorpaneel met variabele vergrendelkleppen van 1 tot 6 voor deuren tot 1.400 mm
- Openingsdemping (BC) en sluitingsvertraging (DC) standaard en actief in alle installatieconfiguraties
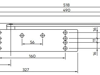
- Onzichtbare bevestigingen met langwerpige gaten voor de loopwagen
- Certificeringen EN 1154, CEN /TR 15894
- Toegankelijkheid <50 N, brandcertificaat volgens EN 1634-&.
Modulair :
- Sluit tot 180° deuropeningshoek
- 3 sluitsnelheden 180-15° 15-7° voor vertraging (2S°, 7-0° voor laatste ruk, 2 BC technische kleppen (Bach Check)
- 60-90° openingsrem en DC (Delay Closer)
- 125-70° sluitvertraging
- Temperatuur constant van -40° tot 60°.
- Combineerbare afwerkingen: 2 "Prestige" afwerkingen NIRO (roestvrijstalen look) en goud (gouden look)
- Geruisloos sluiten: SoftFlow-sluiting van 15° tot 0°, in combinatie met eindvergrendeling van 7° tot 0°.
Voordelen
Voor de integrator
- Alle functies worden altijd ingesteld op het voorpaneel.
- De sluitkracht kan worden aangepast met een accuschroevendraaier
- 1 deurdranger voor de 4 installatietypes
- Sluit vanuit een deuropening van 180° (gemonteerd aan de scharnierzijde)
- Visuele weergave van sluitkracht
- In hoogte verstelbare schuif
- Voldoet aan alle huidige normen (brand, toegankelijkheid, enz.)
- Standaard met montageplaat met universele geperforeerde montage en hoogteverstelling
Voor de gebruiker
- Gebruiksgemak: flexibele opening en gegarandeerde sluiting
- Eenvoudige bediening dankzij hydraulische functies.
- Zeer stille afsluiting
- Voor architecten en planners
- Bekroond Premium ontwerp
Neem contact met ons op voor meer informatie
Voor meer informatie over de TS98 deurdranger kun je contact met ons opnemen. Ons team staat klaar om al uw vragen te beantwoorden en u te voorzien van alle informatie die u nodig hebt.







